|
November 1964 Radio-Electronics
[Table of Contents]
Wax nostalgic about and learn from the history of early electronics.
See articles from Radio-Electronics,
published 1930-1988. All copyrights hereby acknowledged.
|
This 1964
Radio-Electronics magazine article details the operation of common
electrical meters - voltmeters, milliammeters, and ohmmeters - all based on
Ohm's law (I = E/R). The core component is the d'Arsonval movement, a
DC-sensitive mechanism that can measure AC when paired with rectifiers.
Voltmeters use multiplier resistors for different ranges, while ohmmeters employ
an internal battery, producing a nonlinear scale. AC measurements rely on
rectifiers to determine RMS voltage (0.707 of peak sine wave), though this
method only works for pure sine waves. The article also explains practical
circuits, including protection features like fuses, and discusses voltmeter
sensitivity (ohms/volt), emphasizing that higher input resistance minimizes
measurement errors by reducing circuit loading. Full-wave rectification improves
sensitivity compared to half-wave setups.
Meters for Beginners - How Do They Work?
By Robert G. Middleton
The most widely used electric measuring instruments are voltmeters, milliammeters
and ohmmeters. They measure the quantities stated in Ohm's law: I = E/R.
Most voltmeters are hooked up to measure either ac or dc voltages. Milliammeters
for ac are less common, simply because voltage is measured much more often than
current in practical work. On the other hand, resistance is measured almost as often
as voltage. Hence, we would expect to find ac ohmmeters in wide use - and we do.
Generally found in separate units called capacitor testers, they are calibrated
not in ac ohms, but in microfarads.
How Basic Meters Work

Fig. 1 - Principle of d'Arsonval (moving-coil) meter movement.
Fig. 2 - Basic dc voltmeter circuit: movement in series with multiplier resistor.
Fig. 3 - Basic ac voltmeter circuit: rectifier added.

Fig. 4 - Practical milliammeter circuit. Fig. 5- Ammeter
circuit is electrically same as Fig. 4, but separate terminals are brought out to
avoid high current through range-switch contacts. Fig. 6 - Practical dc voltmeter
circuit.
The heart of a meter is its movement (Fig. 1). Basically a current-indicating
device, it responds to dc only. To measure dc voltage, a multiplier resistor must
be connected in series with the meter (Fig. 2). Now, if a rectifier is connected
in series with the movement (Fig. 3), we get an ac voltmeter.
A vom has several current ranges, and the current-indicating circuit is elaborated
as in Fig. 4. This is a milliammeter configuration with three ranges. It responds
to dc only. A simple change of test-lead connections changes the configuration into
a dc ammeter (Fig. 5). The ammeter function is not wired into the switch circuit,
because the switch contacts are small and will not carry heavy currents satisfactorily.
A practical dc voltmeter must also have several ranges (Fig. 6). Note here that
the voltmeter circuit has comparatively high input resistance, compared with the
milliammeter circuit - this distinction is typical of nearly all voltage and current
instruments. There are occasional exceptions. For example, in checking some of the
low dc voltages in transistor circuits, a 0.25-volt full-scale voltage range can
be useful. In such case, you can use the 50-μa range of a vom as a voltmeter,
with full-scale deflection at 0.25 volt.
An ohmmeter is obtained by switching an internal battery into the measuring circuit
in (Fig. 7). Note how the circuitry is arranged basically to indicate the current
that flows from the internal battery through the resistor under test. However, the
scale used on this function is calibrated in ohms. This is a simple and convenient
circuit arrangement, although it results in a nonlinear ohms scale cramped at the
high end (Fig. 8). When the resistor under test has the same value as the total
input resistance of the ohmmeter, the pointer deflects to one-half of full scale
(Fig. 9).
A practical ac voltmeter must also have several ranges. Hence, a multiplier is
used, illustrated in Fig. 10. Two rectifiers are used in this circuit, although
only one of them supplies current to the meter movement. The series rectifier supplies
the rectified output in Fig. 11. Why, then, is the shunt rectifier used at all?
It is because the series rectifier is not 100% perfect. It conducts some slight
current in the reverse direction, although its back resistance is high.

Fig. 7 - Practical ohmmeter circuit. Fig. 9 - Ohmmeter reads
half-scale when resistance being measured equals internal meter-and-network resistance.
Fig. 10 - Practical ac voltmeter circuit, with shunt and series rectifiers.

Fig. 11 - In Fig. 10, half sine waves (alternate half cycles)
flow through the meter movement. Fig. 12 - The meaning of root-mean-square (effective)
voltage. Fig. 13 - One way of measuring alternating current: measure drop
across series resistor.
To obtain the effect of a higher back resistance, the shunt rectifier is used.
It provides a low-resistance shunt path around the meter to prevent any reverse
current from flowing through the movement. Calibrating resistors R and R1 in Fig.
10 are set at the factory. The scale of the ac voltmeter reads in rms volts. An
rms (root-mean-square) ac voltage is one that has the same heating effect as an
identical value of dc voltage. The heater in a vacuum tube will get just as hot
whether it is supplied with 6.3 volts dc or with 6.3 rms volts ac. It so happens
that an rms voltage is 0.707 of the peak voltage in a sine wave (Fig. 12).
Because ac voltmeters like the one diagrammed in Fig. 10 are calibrated to read
rms voltages of sine waves, these instruments will not read the rms voltage of a
square wave or a sawtooth or any complex wave. Thus, this type of ac voltmeter must
be restricted to measuring sine-wave voltages. This is no great handicap; other
types of instruments (especially the oscilloscope) are available for measuring the
voltages of complex waves found in TV receivers.
How about measuring alternating current? The simplest, if not the most convenient,
method is to insert a precision resistor in series with the line, and to measure
the alternating voltage across the resistor (Fig. 13). Then, the current can be
calculated by Ohm's law. For example, if you measure 2 volts across the 5-ohm resistor,
the current flow is evidently 0.4 ampere. A somewhat more professional method of
measuring alternating current is to use a current transformer ahead of the voltmeter
(Fig. 14).
Complete VOM Circuit

Fig. 8 - Ohmmeter circuit of Fig. 7 results in nonlinear scale.

Fig. 14 - Current transformer is another way of measuring
alternating current.

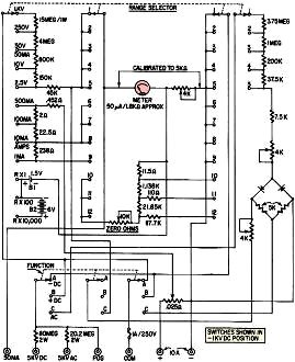
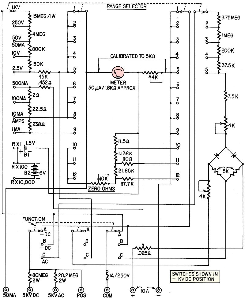
Fig. 15 - Typical complete vom circuit.

Fig. 16 - Full-wave rectified dc uses both halves of ac cycle.
Fig. 17 - Full-wave and half-wave rectified sine waves compared.
The complete circuit for a standard vom is shown in Fig. 15. The fuse in the
common lead is a protective device. Since the ohmmeter has a low input resistance
on the R x 1 range, the 11.5-ohm resistor could be burned out if the test leads
were accidentally connected into a "live" circuit. The fuse will blow in such case,
protecting the ohmmeter circuit.
Note also in Fig. 15 that the two instrument rectifiers are connected in a bridge
circuit with two 5,000-ohm resistors. In this configuration, full-wave rectification
takes place (Fig. 16). This does not change the ac voltage indication, because the
meter scale is calibrated to read rms volts, as it is in the case of the half-wave
configuration. It is interesting to observe the meter current in each case (Fig.
17). When a half-wave instrument rectifier is used in a vom, the movement responds
to 0.318 of the rectified peak voltage, and the scale is calibrated to indicate
0.707 of peak. On the other hand, when a full-wave instrument rectifier is used
in a vom, the movement responds to 0.636 of the rectified peak, and the scale is
calibrated as before to indicate 0.707 of peak. Basically, therefore, the full-wave
arrangement is twice as sensitive as the half-wave configuration.
Observe the shaded areas in Fig. 17.
These emphasize the equal areas in the rectified current sine wave, which determine
the average value of the rectified wave. This is 0.318 of peak for a half-rectified
sine wave, and 0.636 of peak for a full-rectified sine wave.
Voltmeter Sensitivity
All voltmeters have a rated sensitivity which is specified as ohms per volt.
What does this mean? This rating refers to the input resistance of the voltmeter.
To find the ohms-per-volt sensitivity of a vom, divide the full-scale indication
on any range into the input resistance on that range. Thus, if your meter has an
input resistance of 50,000 ohms on its 2.5-volt range, its sensitivity is 20,000
ohms per volt. This same meter will have an input resistance of 200,000 ohms on
its 10-volt range. In other words, a vom has the same sensitivity on all ranges,
but the input resistance is low on the low ranges, and high on the high ranges.
A 20,000-ohms-per-volt meter has 100 megohms of input resistance on its 5,000-volt
range.
It must not be supposed that a vom will have the same ohms-per-volt rating on
its ac voltage range. Thus, a meter which has 20,000-ohms-per-volt sensitivity as
a dc-meter, commonly has 1,000- or 5,000-ohms-per-volt sensitivity on its ac-voltage
function. Meters with half-wave rectifiers may have an ac sensitivity of 1,000 ohms
per volt, while meters with full-wave rectifiers generally have one of 5,000 ohms
per volt. Why the difference? Because instrument rectifiers are contact rectifiers.
To control the characteristics of contact rectifiers satisfactorily, lower-impedance
circuits must be used than on the dc function. Hence, vom's using contact rectifiers
will necessarily have lower input resistance on their ac-voltage function.
The sensitivity of a meter matters to the technician, because it tells him how
much the meter will load a circuit, or, it indicates that circuits exceeding a certain
impedance cannot be tested accurately. In practical work, we prefer to keep the
input resistance of the vom at least 10 times higher than the impedance of the circuit
under test. Thus, in measuring agc voltages with a vom, it is usually desirable
to use as high a range as possible that will still provide a readable indication.
In this way, the measurement error due to loading is minimized.
|