|
Here is the "Electrician's Mate 3 - Navy Training Courses"
(NAVPERS 10548) in its entirety (or will be eventually). It should provide one of
the Internet's best resources for people seeking a basic electricity course - complete
with examples worked out. See
copyright.
See Table of Contents.
¶ U.S. GOVERNMENT PRINTING OFFICE;
1949

CHAPTER 15 SEARCHLIGHTS
NAVY TYPES
Navy searchlights are classified as to the size and source of light.
The 36-inch and 24-inch searchlights use high intensity carbon arcs
as the source of light, while the 12-inch searchlights use an incandescent
lamp, usually a 1,000-watt lamp. The size of these searchlights is determined
by the diameter of the parabolic reflector.

Iris Mechanism for 24" U.S. Navy Searchlight (photo by Tim P.)
"Kirt, I just found your website while looking for an explanation
of the purpose of a device that a friend of my owns. It is an iris
shutter for a 24" naval searchlight. Your site and description of
the searchlight helped to figure out the mystery of this thing!"
"I was at a friends party new years eve and he dragged the thing
out of a closet and started showing it off to those of us that were
interested. It weighs about 50 lbs. I would say, it is made out
of cast aluminum and the glass dome is surprisingly thin. Tempered
no doubt, and it says Bausch & Lomb right on the glass.
My friend bought it from an antique dealer."
USES OF SEARCHLIGHTS
The 36-inch light is used primarily for fire control. Usually they
are equipped with remote control systems so they can be trained and
elevated from the gun fire control director. Most are equipped with
an iris shutter and may be operated either manually or by an automatic
motor. The 24-inch searchlight is a general purpose light and although
it may be used for fire control purposes, generally it is used for long
range signaling. These searchlights are not equipped with remote control
for train and elevation. The light sometimes is equipped with the remote
control signal key. This lamp usually has both the iris and vane type
shutter.
The 12-inch searchlight is used primarily for short
range signaling. These lights are not equipped with remote control equipment,
and have a manually controlled vane type shutter.
REQUIREMENTS OF A SEARCHLIGHT
A Navy searchlight must have a narrow, pencil-like light beam. The
light must be non-flickering and of a 'bluish white color. It must operate
properly from any position, under all weather conditions, and give trouble-free
operation over a long period of time. The train and elevation characteristics
of most lights are: train through 360°, elevation of 110° to 120°, and
depression of 30° to 40°.
THEORY OF CARBON ARC SEARCHLIGHT
When an electric current at a moderate voltage is passed through
two carbon rods, considerable heat is developed at the point of contact.
Now if the carbon rods are separated a short distance a flaming arc
will be drawn out.
The act of making contact between the two
carbons is necessary to start the arc and is called STRIKING THE ARC.
When contact first occurs, a high current flows through the carbons.
The high current produces heat which vaporizes the soft center of the
positive carbon. This vapor acts as a conductor for the current as the
carbons are drawn apart and will keep the current flowing until the
distance between the carbons becomes too great. As the distance between
the carbons increases the resistance of the arc circuit increases.
The carbon vapor concentrates as a small ball in a depression in
the positive carbon. This depression is called the CRATER. This ball
of flaming gas in the crater is intensely luminous and is located at
the focus of the reflector. The reflector thus projects the light from
the arc crater into a beam of light, just as the reflector in your automobile
projects the light from the lamp filament into a light beam.
HIGH INTENSITY arcs work on the same principle as low intensity
types except that the current is increased and the diameter of the carbon
decreased, to obtain a more brilliant and concentrated source of light.

Figure 141. - The 24-in searchlight.
SEARCHLIGHT CONSTRUCTION
The high intensity arcs require ventilation systems at all time
to prevent overheating. The arc and reflector are housed in the
DRUM, which is supported on TRUNNION ARMS so that it can be tilted,
to elevate or depress the beam. The BASE supports the trunnion arms
so they can rotate. The drum is thus mounted so the light beam can be
trained as well as elevated.
The power supply is brought up to
the light through slip rings and brushes inside the base, thus permitting
continual rotation in either direction. In some bases the power is brought
up by flexible cables. These cables must have a long loop left in order
to permit rotating the searchlight. This light can be only rotated one
and a half revolutions in either direction.
Trunnion
Arm. The trunnion arms support the main body of the searchlight.
The drum is mounted on ball bearings located at the tops of trunnion
arms, allowing for free elevation and depression of the lamp. A locking
device is on the trunnion arm to secure the light in elevation and depression.
The trunnion arm rides on ball bearings mounted on the top center
of the base, to allow rotation of the lamp in train. A locking device
is provided on the base for securing the light in train.
Drum. The drum is the main body of the searchlight and consists
of a barrel and access doors. The ventilating motor and shutter usually
are mounted on or in the drum. Vent Motor. The ventilation
motor is located in a hood mounted either on the top or bottom of the
barrel. The motor is connected in parallel with the arc circuit so that
as soon as the lamp switch is closed the motor runs. Notice circuit
of wiring in figure 142.

Figure 142. - Wiring circuit for 24-inch
searchlight.
Arc Image Screen. The arc image screen is located near
the top of the barrel. It contains a lens system and a ground glass
screen. The screen gives the operator an indication of the condition
of the arc. A marker on the ground glass screen indicates the proper
position for the positive carbon. The arc image screen does not give
a direct view of the arc, only an image. Figure 143 shows the correct
and incorrect positioning of the carbons as viewed in the screen.

Figure 143. - Views of carbon position.
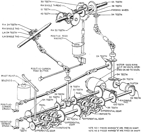
Arc Lamp. The lamp consists of the support and carbon feed
mechanisms as illustrated in figure 144. The COLUMN is the upright which
supports the two feed heads, and acts as a return for the negative side
of the arc current. The column is hollow and allows air to flow through
it to cool the positive head.

Figure 144. - Searchlight lamp mechanism.
Positive-head. The positive head is the mechanism which
supports, rotates, and feeds the positive carbon. These functions are
all automatic. The positive head has metal brushes to conduct the current
to the carbon. Obdurator. The obdurate is the metal shield
on the positive head. It prevents the heat of the arc from reaching
the gear and other exposed mechanism of the positive head. It also helps
direct the light rays back to the reflector.
AUTOMATIC FUNCTIONS
The lamp has five automatic mechanisms. They are:
Forced draft ventilation. Positive carbon feed.
Rotation of positive carbon. Negative carbon feed.
Automatic arc striking.
FORCED DRAFT VENTILATION
The ventilation motor is usually a motor of approximately 1/12 horsepower
connected across the arc circuit. As soon as the lamp switch is closed
the vent motor is energized. In operation of the searchlight, the first
thing to check is the ventilation.
POSITIVE CARBON FEED
The ball of vapor is the main source of light and must be kept at
the focal point of the reflector. The focal point is the point where
all light rays from the ball of vapor will be reflected back in parallel
lines. As the positive carbon burns back, the luminous ball of vapor
will move out of the focal point. Therefore, some means must be made
to keep the luminous ball of vapor at the focal point. This is accomplished
by feeding the positive carbon forward as fast as it burns away.
The positive feed system contains a thermostatic switch, a solenoid,
a lever and gear system. The power to rotate the positive head is furnished
by the feed motor. The feed motor is connected across the arc circuit
and runs when the lamp switch is closed.
The thermostatic switch
in figure 145 is made of two metal strips welded together. When heated,
one strip expands faster than the other and closes the circuit to the
positive mechanism. When the positive carbon is in the proper position
the heat rays from the arc vapor do not fall on the bimetallic strip.
The switch will then be open and cuts off the feed current. As the carbon
burns back the heat rays once more strike the bi-metallic strip, closing
the feed circuit and feeding the positive carbon forward.

Figure 145. - Thermostatic switch, positive
feed mechanism.
ROTATION POSITIVE HEAD
The positive carbon must be rotated all the time in order to keep
the crater that holds the ball of luminous gas symmetrical. The feed
motor is connected across the arc. circuit so that the motor runs all
the time the switch is closed. The positive head mechanism is geared
directly to the feed motor. The positive head rotates as long as the
light is in operation.
PEEP SIGHT
The peep sight is a small circular opening with a colored glass
window to give the operator a direct view of the arc.
REFLECTORS
The reflector is a parabolic mirror which collects the light rays
and reflects them in a parallel beam. Two types are in use, glass and
metallic.
Glass Reflector. The glass reflectors are
made of optical glass with the reflecting surface coated with silver.
It is efficient but has two disadvantages: first, breakage due to intense
heat in drum and due to shock; and secondly, the. silver peels. This
reflector should be cleaned only with alcohol and precipitated chalk.
Several metals such as chromium steel, coated aluminum and other
alloys are used in manufacturing the METALLIC REFLECTOR. They are not
subject to breakage or peeling. This reflector may be cleaned with bright
work polish or any polish not containing an abrasive. In cleaning NEVER
USE A CIRCULAR MOTION - always WIPE FROM the CENTER OUT.
SHUTTERS
Shutters are provided so the light beam may be secured without securing
the lamp. They are mounted in the front of the barrel and are of two
types - the VANE SHUTTER and IRIS SHUTTER.
The IRIS SHUTTER
is light proof. It can be operated manually or by a control motor. This
shutter is too slow to be used as a signal shutter. It should be cleaned
and lubricated according to manufacturer's instructions.
The
VANE type SHUTTER is used for signaling and is primarily a speed shutter.
May be operated by manual control or by an automatic key. This shutter
is not fully light proof.
RHEOSTAT
The rheostat has a low resistance and high current carrying capacity.
One of its most important functions is to prevent a direct short circuit
when the arc is first struck. It should be set for the proper operating
current of the searchlight, and after its initial setting, should not
require adjustment unless a change in the operating current is made.
CURRENT CONTROL NEGATIVE FEED
Feeding of the positive carbon is automatically controlled so that
the crater is always at the focus of the reflector. The negative carbon
feed is also automatically controlled, to keep the arc length constant.
Two types of automatic negative feed are used - CURRENT and VOLTAGE
types.
A CURRENT CONTROL negative feed system may be identified
by coil wound with heavy strip copper and connected in series with the
arc circuit. The current control feed system depends upon a varying
current through the arc to actuate the system. The equipment consists
of a current coil and plunger which regulate a motor drive for feeding
the negative electrode. One end of a pivot arm is attached to the plunger
and the other end of the arm is attached to a spring. The current coil
is in series in the negative side of the arc circuit.
When the
lamp switch is first closed, a very small current flows. This allows
the spring to overcome the pull of the current coil, and pull the lever
arm down so as to engage the high speed forward feed. The negative carbon
is fed forward until it makes contact with the positive carbon. When
the carbons strike, there is a high rush of current. This high current
cause the current coil to overcome the pull of the spring and engage
the reverse high speed feed, thus pulling the negative carbon back and
drawing out the arc. When the pull of the current coil and spring tension
are in balance the negative carbon will cease to feed. Any change
in arc length after the arc is struck will be taken care of by the low
speed gears. The action of the current coil is the same as in the high
speed feed except the feed lever engages the low rather than the high
speed gears.

Figure 146. - Positive carbon feed drive
mechanism.
If the negative carbon were fed too far forward the arc current
would increase, causing the coil pull to overcome the pull of the spring
tension and engaging the slow speed reverse gears to feed the negative
carbon back until the arm balances.
In a current control negative
feed system INCREASING the SPRING TENSION will DECREASE the ARC LENGTH
and decrease of the spring tension will increase the arc length.
VOLTAGE CONTROL NEGATIVE FEED
In the VOLTAGE CONTROL negative feed system, the voltage drop across
the arc circuit operates the system. It consists of a voltage regulator
coil, plunger, pivoted arm with a spring attached to the opposite end
of the pivot arm. As soon as the lamp switch is closed there is a high
voltage drop across the arc circuit allowing the coil pull to overcome
the spring tension and feed the negative carbon forward. Upon striking
the arc there is a high rush of current, causing a low voltage drop
across the arc circuit, pulling the arm down and engaging the high speed
reverse feed. The negative carbon feeds back until the pull of the coil
and the spring tension just balance. Any further change due to carbon
burning back will be taken care of by the slow speed units.
The
voltage control system can be identified by looking for a regulator
coil. Voltage control will have many turns of fine wire connected in
parallel with the arc circuit. On a voltage control searchlight if the
SPRING TENSION is INCREASED the ARC LENGTH INCREASES; if spring TENSION
is DECREASED the ARC LENGTH DECREASES.
MANUAL CONTROL
Manual control gear is installed on all searchlights so the searchlight
may be operated in case of failure of the automatic system. All of the
automatic functions except ventilation can be operated manually. The
manual control gear has two small cranks located on the back of the
lamp box; one controls rotation of the positive head, the second controls
the feed of the negative carbon. A push button controls the feed of
the positive carbon.
ADJUSTMENTS
The angle of the negative carbon in relation to the positive carbon
must be correct. If the angle is too great or too small the crater of
the positive carbon will burn off on one side and allow the ball of
vapor to escape. See the lamp instructions book for the correct setting
and method of adjustment.

Figure 147. - Carbon feed heads for Sperry
36-inch searchlight.
ADJUSTMENT OF CARBON BRUSH PRESSURE
A proper contact between the heads and the carbons is necessary.
If brush pressure is too great the carbons will stick and not feed properly
and if too loose will not give good contact. When correctly set it should
take a pull of 8 to 10 ounces to slip the carbons out of the head with
the feed rollers raised.
ADJUSTMENT OF POSITIVE CARBON
PROJECTION
The positive carbon must project a distance of 9/16-inch for for
the 24-inch light, 15/16-inch for 36-inch light, in front of the positive
head. This prevents the noses from burning and assures proper focus.
To make this adjustment allow the searchlight to operate several minutes.
Then secure the light and measure the distance from the positive carbon
tip and the positive nose. If this distance is incorrect, the procedure
for adjusting follows.
If the positive carbon is not projecting
out far enough shift the lens, figure 145, in the direction you wish
the carbon to feed. Shift lens only about 1/16 inch at a time. After
the lens has been shifted the lamp must be operated several minutes,
and rechecked. This must be repeated until the projection is correct.
ADJUSTMENT OF ARC LENGTH
The first step in adjusting the arc length on a current control
searchlight is to determine the proper operating amperage. You can find
this in the instruction book on the light. If the switchboard does not
have an ammeter in the arc circuit, connect in a portable ammeter. If
the arc current is too high, decrease the spring tension. This will
lengthen the arc and decrease the arc current. If the arc current is
too low increase the spring tension. This will decrease the arc length
and increase the arc current.
For adjusting a voltage controlled
searchlight feed determine the proper arc voltage. If the switchboard
does not have a voltmeter for the searchlight, connect a voltmeter across
the arc circuit. If the arc voltage is too high, increase the spring
tension. If the arc voltage is too low, decrease the spring tension.
Always CONSULT the INSTRUCTION BOOK WHEN MAKING ADJUSTMENTS.
FOCUS
After the preceding adjustments have been made, the lamp should
be focused. A focus screw on the back of the lamp box moves the entire
lamp mechanism toward or away from the reflector. Operate the light
for several minutes then secure and measure the positive carbon tip
projection. Then measure the distance from the tip of positive carbon
to the center of the reflector. This distance should correspond with
the focal length given on the reflector.
CARBONS
In 24-inch searchlights a pair of carbons will last approximately
105 minutes, in a 36-inch light at 150 amperes, about 90 minutes and
at 190 amperes, about 45 minutes. Spare carbons should be stored in
original containers in a dry clean space.
PRECAUTIONS FOR RECARBONING
Always MAKE SURE LAMP SWITCH IS OFF WHEN RENEWING CARBONS.
IF LAMP IS HOT USE GLOVES AND PLIERS to renew carbons.
CHECK
CARBON to make sure it is not cracked or warped.
Always START
an operation WITH COMPLETE NEW SET OF CARBONS. Never use a set of stubs.
After renewing carbons operate the light for about three minutes to
form the crater in the positive carbon.
REAMING POSITIVE AND NEGATIVE
NOSES
The positive and negative noses should be reamed when needed to
remove carbon and other obstruction to insure freedom of carbon to feed.
Reamers are furnished as spare parts. The following precautions should
be followed: In reaming always hold reamer straight, make sure feed
rollers and brushes are lifted, and IF REAMING WHILE LAMP IS HOT. NEVER
ALLOW REAMER TO STOP moving UNTIL NOSE IS COMPLETELY REAMED. This is
to prevent reamer from becoming stuck as the metal cools.
CLEANING REFLECTORS AND DOME
The reflector and dome glass should be cleaned each time after the
light is used. NEVER USE POLISH CONTAINING ABRASIVES.
Use mixture
of denatured alcohol and precipitated chalk to clean reflector; the
mixture should consist of three ounces of chalk to 1/2 pint of alcohol.
This paste may be removed with cheese cloth. NEVER USE A ROTARY MOTION.
Always POLISH FROM THE CENTER OUT. Use a cloth to remove residue of
carbons from the burning interior of drum. This residue is a white powdery
ash. A small paint brush or painter's duster serves as well to remove
carbon particles from the thermostat lens and top of lamp.
LUBRICATION
The manufacturers instruction book gives information for lubricating
base, trunnion arms, and lamp. Grease or oil should never be used on
the heads. To lubricate heads use a mixture of flake graphite and kerosene
at least once a week. The iris shutter should be given a light coat
of graphite and kerosene once a month.
PERIODIC TESTS, INSPECTIONS AND CLEANING
AFTER EACH PAIR OF CARBONS -
Wipe reflector,
glass door and thermostat lens.
AFTER EXTENDED RUN -
Clean interior of drum, thermostat window and lens and the lamp mechanism.
As soon as the reflector has cooled, clean the
reflector and front door glass.
AFTER FIRING -
After each period of firing of the ship's batteries, inspect all searchlights.
DAILY -
Test local mechanical gear for training
and elevating light, then the remote control or distant
mechanical control gear.
Check remote electrical
control gear on searchlight.
Operate each lamp long
enough to dry out drum and test functioning of lamp mechanism.
Check ready light for full pair of carbons.
At sea and during damp weather, energize remote control electrical equipment
to insure dryness.
WEEKLY -
Clean reflector and front door glass.
Clean interior
of drum, thermostat, window and lens, and lamp mechanism.
Check nose caps for insulation to heads and to ground.
Examine exposed gears and bearings for lubrication and for freedom from
dirt, sand and grit.
MONTHLY -
Remove, examine and clean the metal contact blocks which conduct current
to the carbons.
Clean carbon feed rollers.
AFTER 50 HOURS OF OPERATION OR QUARTERLY -
After
50 hours of operation and not less than once each quarter, remove the
lamp from the drum, overhaul, reinstall and reset the
lamp.
YEARLY -
Inspect, lubricate, and repair
equipment in the base.
Chapter 15 Quiz
(click
here)
|