|
This 1968 Electronics World magazine
article nails the basics of
trade secrets law that still hold today: if you learn your boss's secret info
- like formulas, processes, or customer lists that give them a business edge - you
can't share it with a new job, even by accident, and your new employer can get sued
if they know about it and use it. No signed paper needed; courts protect "real"
secrets (not public stuff or your general skills) with court orders to stop use
or money damages. Good faith matters - act fair, don’t copy files or exact products,
and you have defenses like competing honestly. Big changes now: almost all states
follow uniform rules (UTSA) plus a 2016 federal...
Here is a batch of
electronics-themed comics that appeared in the July 1948 edition of Radio
News magazine. The comic on page 122 would probably elicit cries of racism
or hate speech these days, even though there is nothing racist about it. Note how
prescient the comic on page 140 was. It shows how long futurists have ben contemplating
the technologies that have become or are becoming common place today - of course
many of them were promised to us by the end of the last century by the like of
Popular Mechanics, Mechanix Illustrated, et al...
"A new type of circuit board which is almost
entirely biodegradable could help reduce the environmental harms of electronic waste,
its inventors say. Researchers from the University of Glasgow have developed a new
method of printing
zinc-based electronic circuits on environmentally friendly surfaces including
paper and bioplastics. Once the circuits are no longer needed, 99% of their materials
can be disposed of safely through ordinary soil composting or by dissolving in widely
available chemicals like vinegar..."
If you think government bureaucracies meddling
in the affairs of private business is a relatively new phenomenon, think again.
Elected and unelected persons and agencies have since the inception of control over
the populace made it their business to dictate which pursuits of technology are
sanctioned and which are not. Often, the motivation lies in who within those bureaucracies
stands to benefit monetarily from the decision. In this story lamenting the painfully
and, in the author's opinion, unnecessarily long time experienced in bringing
commercial broadcast television to the marketplace - in 1935.
One of the primary stumbling blocks was the FCC preventing companies from televising
paid commercials during programs because, in the FCC's view, picture quality was
not good enough to serve advertisers' interests. In this story lamenting the painfully...
Here in one short editorial article, Hugo
Gernsback outlines the application of
shortwaves in "the next war" to maintain wireless surveillance of the airspace
over towns and cities via what is essentially radar, to detonate explosive devices
by means of a powerful "special combination impulse," and long-distance wireless
communications via radios "so small that one man can easily carry it." This might
seem rather moot in today's world, but in 1935 it required a certain amount of knowledge
of wireless communications and a vision regarding its potential. In my readings
of a great many early- to mid-20th-century technical articles on electronics, aeronautics,
physics, etc., it is interesting to notice how authors of the pre-WWII era referred...
Here is a layman's analysis of the Lorentz
force, a fundamental principle in electromagnetism governing the interaction of
charged particles with electric and magnetic fields. Named after Hendrik Lorentz,
the force law underpins numerous engineering systems from electric motors to particle
accelerators. The document details Lorentz's biography, the discovery context, precise
definition, mathematical derivation, equations, and both historical and contemporary
applications. Hendrik Antoon Lorentz (1853-1928) was a Dutch physicist whose contributions
to theoretical physics...
In 1938, Bell Telephone Laboratories, Western
Electric Company, United Air Lines, and Boeing worked together to developed the
first practical
microwave radio altimeter for use in commercial aircraft. This
is not a radar unit in that the distance is not determined solely by emitting a
signal and measuring the time taken to the target (the ground in this case) and
back again. Rather, the radio altimeter relies on a heterodyned beat frequency generated
between a reference signal and that of the transmitted and received ground-directed
signal. Author Washburn does a nice job explaining the process, so I needn't add
to it. It is interesting to note the statement about the 500 MHz used being
the "highest frequency ever to be used for practical purposes...
"A UCLA-led, multi-institution research
team has discovered a metallic material with the
highest thermal conductivity measured among metals, challenging long-standing
assumptions about the limits of heat transport in metallic materials. Published
in Science, the study was led by Yongjie Hu, a professor of mechanical
and aerospace engineering at the UCLA Samueli School of Engineering. The team reported
that metallic theta-phase tantalum nitride conducts heat nearly three times more
efficiently than copper or silver, the best conventional heat-conducting metals..."
Modulating a light beam for secure communications
was not a new concept is 1939 when Gerald Mosteller invented his device, but doing
so with inexpensive equipment, using "outside-the-box" thinking, was new. Exploiting
the relatively recently discovered physical phenomenon of "skin effect," his system
used a specific range of frequencies to modulate the filament of a standard flashlight
type incandescent light bulb that could effect temperature changes - and therefore
intensity changes - rapidly and of significant amplitude to transmit information
in the audio frequency range. Mr. Mosteller's contraption evolved as the result
of a college thesis project. There does not exist a plethora of modern-day
modulated light communications systems using incandescent bulbs
as the source, so it is safe to assume insurmountable physical and/or financial
obstacles...
In no way do I advocate going back to the
'old ways' for manufacturing electronic components, but I do admire and like to
give credit to the people who used to perform the tedious procedure of
building vacuum tubes, hand-wire chassis assemblies, circuit boards,
etc. The process required being able to sit or stand at the same work station and
perform the same range of operations day after day, often for years on end. Of course
at the time, automation processes were not what they are today and machinery needed
to be driven by mechanical means using motors, solenoids, and limit switches. That
made employing people more financially rewarding than using a machine. You can find
details on the algorithms and methodology for designing those contraptions in older
engineering handbooks. It is an amazing sight to to tour a WWII vintage battleship
and look at the hardware that...
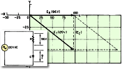
I learned (or, "leared," in MN Somali daycare
lingo) a new word today -
ergodic - from a 1968 issue of Electronics World magazine. Ergodicity is a concept
from mathematics and physics describing systems where the time average of a property
equals its average across all possible states (space average). In simpler terms,
a system is ergodic if, over time, it explores all possible states in a way that
reflects the overall statistical distribution of those states. In physics and dynamical
systems: An ergodic system eventually visits all parts of its phase space...
Once again, electronics and overall tech
visionary Hugo Gernsback, editor at the time of Radio-Craft magazine, prognosticated
in the 1930s what was then a pipe dream but what is today commonplace -
remote control of multi-functioned apparati (sic) via secure wireless digital
communications. Adolph Hitler had risen to power a year earlier and was a precursor
to what would officially become World War II. By 1937, nations were thinking
about what kinds of technologies would be necessary should the little mustachioed
dictator decide to invade his neighbors' countries in an attempt to rule over the
Earth. That this was so is apparent in many magazine articles in the decade of the
1930s: The Saturday Evening Post, Life, Popular Mechanics, and
even Good Housekeeping...
"An international team of astronomers has
developed a new way to extract
solar polar magnetic information from more than a century of historical observations,
improving prospects for predicting future solar cycle activity. The work combines
data from the Kodaikanal Solar Observatory in India with modern measurements to
reconstruct the behavior of the Sun's polar magnetic field over more than 100 years.
Researchers from Southwest Research Institute, the Aryabhatta Research Institute
of Observational Sciences and the Max Planck Institute used archival Calcium K (Ca
II K) images..."
The use of
intermediate frequency (IF) coils
and interstage coupling transformers were a major feature of vacuum tube based receivers.
Both served the dual purpose of impedance matching and frequency selectivity. Resistive
losses in the relatively large passive components required careful attention to
matters that affect signal sensitivity, especially in the front end where losses
add significantly to the overall noise figure. This article appeared in an early
1930s edition of Radio-Craft magazine at a time when superheterodyne receivers
were just coming into popularity and were a new challenge for many designers...
Repair service businesses have always gotten
a bad rap for deliberately inflating part and labor costs - often deservingly so
- but it's a shame the honest brokers are dragged down by the scum (or "gyps" as
this article calls them). Come to think of it, the word "gyp" is likely short for
"gypsy," which is sure to offend someone these days. Along with admonishing customers
to beware of shyster servicemen, there is an example of an orchestrated
"sting" operation whereby a radio set was intentionally "broken"
in a certain way with witnesses as to the fault, and then a couple dozen repair
services were called upon to troubleshoot and fix it, then present a bill for their
work. The result is interesting, and even resulted in one guy being...
This is an all-star cast of
radio pioneers if there ever was one. It's not comprehensive by
any means, but most of the first-string players are here in this 1936 Radio-Craft
article. One thing I like about reading these old pieces is that they, for the most
part, are reporting on contemporary events; they are not merely a historian's interpretation
of what the original witnesses recorded. That is not to say early writers did not
editorialize, err, or outright lie about content, but I give these guys the benefit
of the doubt based on the sources. You have certainly heard of people like Hertz,
deForest, and Marconi, but what about coherer (early detector) inventor Edouard
Branly and ground-breaking commercial radio broadcast engineer Frank Conrad? Magazine
editor, publisher, and inventor Hugo Gernsback properly give a short...
As the advertisement for membership in the
Official Radio Service Men's Association says, structured organizations
for people of like mind and interests have long been the hallmark of an advanced
society where there is a need for directed socialization and the 'strength in numbers'
benefit. I suppose most people reading this piece belong to at least one such association
like the Institute for Electrical and Electronics Engineers (IEEE), American Radio
Relay League (ARRL), Armed Forces Communications and Electronics Association (AFCEA),
Association of Old Crows (AOC), Electronics Technicians Association (ETA), etc.
Having significant representation in government in the form of lobbyists is essential
these days in order to obtain and retain fair treatment...
"Isolation dictates where we go to see into
the far reaches of the universe. The Atacama Desert of Chile, the summit of Mauna
Kea in Hawaii, the vast expanse of the Australian Outback -- these are where astronomers
and engineers have built the great observatories and radio telescopes of modern
times. The skies are usually clear, the air is arid, and the electronic din of civilization
is far away. It was to one of these places, in the high desert of New Mexico, that
a young astronomer named Jack Burns went to study radio jets and quasars far beyond
the Milky Way. Could there be a better, even lonelier place to put a
radio telescope? Sure,
a NASA planetary scientist named Wendell Mendell, told Burns: How about the moon..."
For decades - literally - I searched in
vain for explicit , but could never find more
equations for calculating Chebyshev filter phase and group delay than textbook
definitions, with instruction to extract phase from the real and imaginary parts
of the magnitude equation, and then take the negative first derivative of the phase
to get group delay. A lot of good that did - not! I have perused dozens of filter
design books, to no avail. Even the filter bible - Zverev's Handbook of Filter Synthesis
- did not provide the needed equations. Most online resources present Mathcad, MATLAB,
Mathematica, or similar scripts that call the built-in functions, without exposing
the gory detail behind them. What I wanted was something I could implement in a
spreadsheet or a program. Finally, with the help of AI (through many iterations
of...
News services have been busy lately reporting
on the latest feat of America's national space agency's resounding success with
its
interplanetary space probe's closest encounter with our solar
system's most remote [minor] planet. Prior to the flyby, even the most powerful
Earth- and space-based telescopes could never resolve more than a few lightly contrasted
splotches on the celestial orb's surface, and its largest moon was a few pixels
worth of indeterminate light. All that changed on July 14, 2015. We now have, for
the first time ever, high resolution images of the surface, and are in the process
of collection terabits worth of additional physical data from onboard instruments.
No doubt many Ph.D.'s will be earned through assimilation...
Amplifier Solutions Corporation (ASC) is
a manufacturer of amplifiers for commercial & military markets. ASC designs
and manufactures hybrid, surface mount flange, open carrier and connectorized amplifiers
for low, medium and high power applications using Gallium Nitride (GaN), Gallium
Arsenide (GaAs) and Silicon (Si) transistor technologies. ASC's thick film designs
operate in the frequency range of 300 kHz to 6 GHz. ASC offers thin film
designs that operate up to 20 GHz. ASC is located in an 8,000 sq.ft. facility
in the town of Telford, PA. We offer excellent customer support and take pride in
the ability to quickly react to evolving system design requirements.
In the late 1960s, there was evidently a
brewing consumer revolt against
shoddy merchandise, worthless warranties, and sloppy service. Mac attributed
this to a post-WWII seller's market fueled by wartime shortages, black markets,
and inflation. Many workers had pent-up money to spend on products not readily available
during the war. Ensuing conflict eras like Korea and Vietnam prioritized volume
production and advertising over quality. Demand escalated prices. Customers, once
kings in a competitive free-enterprise system, became expendable amid abundant demand.
By 1969, when this story appeared in Electronics World magazine...
Here are three
electronics-themed comics from vintage issues of Electronics World
and Popular Electronics magazines. My favorite is the page 84 comic where
the sign on the Telco Rectifier Components president's wall is apropos. Maybe one
of the interview questions for job applicants was #1: "Did you notice the sign on
the wall in the waiting room," and #2: "Did you 'get it?,' and please explain."
In 1956 when that comic appeared, AC-to-DC power supplies used high voltage vacuum
tubes, typically 300 volts or more. Hefty capacitors were needed to remove
enough ripple from the "top" of the DC to render it undetectable in the circuit
output - especially if the output was audio where a 60 or 120 Hz (50 or 100 Hz
in Europe) "hum"...
"Future lunar missions face a fundamental
challenge: the high cost and difficult transport of materials from Earth. Now, a
new project supported by the European Space Agency (ESA) will demonstrate how lunar
soil -- after releasing its oxygen for rocket propulsion and potentially air for
astronauts -- can also be converted into metal-rich compounds which can conduct
electricity. This compound can either be transformed to inks for
printing electronic circuits or powder for 3D printing of larger components.
Danish Technological Institute..."
A mathematics professor explained to students through various lectures and examples:

It became obvious not everyone understood after one student submitted the following
on a pop quiz:

- originator unknown.
It seemed weird to read of
microelectronics device density expressed in parts per cubic foot
of semiconductor substrate. Describing density that way makes some sense when considering
3-dimensional devices with vertically stacked elements, but this was in a 1963 article
in Electronics World, so that could not have been the case. The motivation, evidently
was to be able to compare microcircuit density with that of the human brain in terms
of neuron density. In fact, there is an interesting chart presented that shows the
evolution in circuit density beginning with vacuum tube circuits, progressing through
the state of the art in 1963, projecting for future years, and finally peaking with
the brain's density. Interestingly, the brain density shows as about 5x1011/ft3,
while the "nonredundant semiconductor device" limit is...
|
 • New
60-Meter Frequencies for Hams
• EMC
Test Lab Market Expected to Double in 10 Years
• Sony
to Spin off TV Business
• FCC
in a Bind with Supreme Court
• 2025
Semi Revenue up 21% YoY at $793B
 ');
//-->
 The
RF Cafe Homepage Archive
is a comprehensive collection of every item appearing daily on this website since
2008 - and many from earlier years. Many thousands of pages of unique content have
been added since then.
1970 just doesn't seem all that long ago, but holy
moly that is going on half a century! This quiz appeared in Popular Electronics
to test the hobbyist's knowledge of the
whereabouts of some of the major components and products companies. Many of the businesses
have gone defunct, been bought and absorbed by other companies, or if they do still exist,
are in new locations. It will take a real old-timer to score well on this quiz without
resorting to lucky guesses. Still, there are a couple stalwart manufacturers today that
even a newcomer can get right. Most of the Popular Electronics quizzes were
created by Robert P. Balin, but this one was dreamed up by Thomas Haskett...
Phased
vertical stacks of two or more antennas were fairly common in the television
realm - especially once color broadcasts became more dominant in the 1950s. Up to
3 dB per additional antenna is possible, but due to various non-ideal physical
parameters (summed phase angle, imperfect antenna geometry, etc.), realized gain
is typically in the 2.5 to 2.8 dB range. Higher signal to noise ratios were
needed to guarantee good color separation with the National Television System Committee
(NTSC) and stereo channel audio separation with the advent of Multichannel Television
Sound (MTS). As you might expect, companies appeared claiming to have invented physics-defying
antennas that "outperform all present antennas." This particular "Super 60"
model from All Channel Antenna Corporation further claims to outperform antennas
that use a mechanical rotator (see my Alliance U-100 Tenna-Rotor) by virtue of its
9-position electronic phase switching...
Amateur radio station operators seemed to
always be amongst the first to lose their rights in time of war. Governmental power
brokers - from unelected local bureaucrats on up to presidents - love to demonstrate
their influence over citizens when the opportunity arises. The
Radio Act of 1912 revoked the rights of amateur radio stations to operate, and
in some cases authorized the confiscation of radio equipment for use by the government.
Permission was not restored until 1919, after World War I. Amateurs took it
on the chin again in World War II with revocation of licenses. In this 1917
article in The Electrical Experimenter magazine publisher Hugo Gernsback
makes the case for permitting "our red-blooded boys be trusted to assist our officials
in running down spies." "...we realize how absurd it is to close all privately owned
radio stations during the war," says he. It fell on deaf ears, as usual. As the
now mayor of Chicago once famously said, "You never want a serious crisis to go
to waste..."
This
Radio
Theme crossword puzzle for August 29th, 2021, contains only words and clues
related to engineering, mathematics, chemistry, physics, and other technical words.
As always, this crossword contains no names of politicians, mountain ranges, exotic
foods or plants, movie stars, or anything of the sort unless it/he/she is related
to this puzzle's technology theme (e.g., Hedy Lamarr or the Bikini Atoll). The technically
inclined cruciverbalists amongst us will appreciate the effort. Enjoy!
Yeah, upon seeing the title of this puzzle,
I also thought it said "Roundworm." As is evident by the construction of the puzzle
grid, it is indeed "Roundword." Be sure when working the puzzle to spiral in toward
the center and don't do a raster scan from top to bottom. Although it appeared in
a 1960 issue of Radio-Electronics magazine, there are no terms that should give
a Millennial any problems. Careful with number 14 since today's classes of Hams
is not the same as it was back in the day...
Merriam-Webster defines Christmastide as
"the festival season from Christmas Eve till after New Year's Day or especially
in England till Epiphany." In 1930 when this article appeared in Radio-Craft
magazine, most likely everyone knew what
Christmastide was, but not so much today; hence, I provide the meaning. Wikipedia
goes into more detail. While reading and scanning vintage magazine articles throughout
the year, I set aside ones specific to holidays like Christmas, Thanksgiving, Halloween,
etc., and post them during their respective seasons. This story is about the trouble
caused by a well-meaning but unqualified family member attempting to fix a radio
that wasn't broken by gifting dear old Dad a Balkite trickle charger (which the
radiomuseum.org website happens to have in their collection of data) for his battery-powered
radio set. It also mentions using a potato to test the DC polarity of a power supply
or battery. Last but not least is the "Hemco" 3-way socket plug adapter (this is
a single adapter), a type of which is still in use today - much to the dismay of
some safety advocates...
1945 or 2015? Seventy years have passed since
this photo of a
vacuum tube manufacturing facility in China was taken. Given that
most new vacuum tubes are made in China, and that the labor work conditions have
not changed much in the intervening time period (except in
high-profile plants like Foxconn where Apple products are made), this might
very likely represent a modern day operation. BTW, most of the vacuum tubes not
being made in China are made in Russia... to assure their antiquated infrastructure
has an ample supple of replacement parts. I say that only partly in jest. The largest
market for new vacuum tubes is music amplifier equipment and a few...
This section derives the
Jamming-to-Signal (J/S) ratio from the one-way range equation for J and the
two-way range equation for S, and deals exclusively with active (transmitting) ECM
devices or systems. Furthermore, the only purpose of the ECM considered is to prevent,
delay, or confuse the radar processing of target information. By official definition,
ECM can be either Jamming or Deception. This may be somewhat confusing because almost
any type of active ECM is commonly called "jamming", and the calculations of ECM
signal in the radar compared to the target signal in the radar commonly refer to
the "jamming-to-signal" ratio. Therefore this section uses the common jargon and
the term "jammer" refers to any ECM transmitter, and the term "jamming" refers to
any ECM transmission, whether Deception or Concealment. Jamming: "Official" jamming
should more aptly be called Concealment or Masking. Essentially, Concealment uses
ECM to swamp the radar receiver and hide the targets. Concealment (Jamming) usually
uses some form of noise as the transmitted ECM signal...
A controversy brews over the merits of breeding
plants that glow like a lightning bug. Proponents say
glowing
trees could eventually replace electric street lights, thereby reducing pollution
created by generating stations. Opponents say messing around with tree genes is
dangerous and should be disallowed since it could lead to unanticipated environmental
ramifications on both plant and animal species. The unique aspect of this effort
is that it is being pursued primarily by genetic hobbyists rather than corporations
- at least for now. There is bound to be a huge financial potential for such a copyrighted
line of plants. My opposition to the concept is primarily a concern for light pollution
projected skyward. Astronomers have a difficult enough time with ever-encroaching
sources of ambient light...
If you have ever placed a fixed
resistor in parallel with a potentiometer to reduce the total resistance, then
you are familiar with how you also convert a linear relationship of the wiper movement
with resistance to one that is nonlinear. That is because the equation changes from
Rtotal = Rx:potentiometer (where x is the potentiometer
position) to Rtotal = (Rx:potentiometer * Rparallel) / (Rx:potentiometer +
Rparallel). The graph of it looks like one of the curves in this chart.
Since the total parallel resistance is always smaller than the lowest value of the
two resistances, the greater the ratio of the two is, the more dominant the smaller
resistance value becomes. That means as the potentiometer wiper approaches the minimum
resistance end of its travel, the parallel resistor attached across it has virtually
no effect...
According to the article in a 1944 issue
of Radio News magazine,
phosphors were discovered in the 17th century by an Italian physicist. However,
they remained primarily a scientific curiosity until a practical use for them was
found in cathode ray tubes. Phosphors efficiently convert energy of various forms
(beta rays, ultraviolet rays, and others) into visible light. They are available
in a wide variety of colors and exhibit a "memory" which allows them to be used
for storing an image (or other information) for seconds, minutes, hours, or even
days. Anyone old enough to remember the old analog storage oscilloscopes is familiar
with phosphorescent memory. As with many other technologies, phosphor knowledge
gained significant advances during World War II, and the public was promised
virtually limitless new conveniences based on those technologies once the nasty
war was out of the way...
It has been a long time since I heard this
saying: "Well, they always say that if you want to find out the best and easiest
way of doing something, just put a lazy man at the job." Mac McGregor offered that
line to his service shop technician Barney - in jest of course - when Barney explains
his million dollar invention idea for a
fool-proof vacuum tube tester that can be used by just about anyone. Mac's Radio
Service Shop creator John Frye often used the monthly techno-drama to introduce
some good ideas for new inventions and/or new methods for troubleshooting problems.
Somewhere along the line I think I have seen an advertisement for a tube tester
that used the automation concept dreamed up by Barney...
This table of conversions between various
forms of 2-port network electrical
parameters is difficult to find, so once I finally located a paper that included
them, I felt it was my duty to publish it for public access. The paper is available
on the IEEE website by subscribers only. Other have published the full paper without
permission of author Frickey. None that I found also include the correction paper
published a year later that addresses some of the technicalities of the S- and T-parameter
translations when complex impedance reference planes are used. In order to avoid
those sticky issues, I have reproduced only the sets of translations that are unaffected.
Many thanks to Mr. Frickey for his unique work. S-Parameters Y-Parameters Z-Parameters
h-Parameters ABCD-Parameters3 One of the most sought-after sets of conversion is
from s-parameters to T-parameters, and then back to s-parameters. This is because
matrix multiplications can be performed directly on T-parameters in order to calculate
cascaded component responses...
In the middle of the last century, progress
in television and radio technology was the focus of public attention, similar to
news of the latest advances in smartphones and Wi-Fi-connected gadgets are today.
Then, it was the installation of
microwave relay networks for long distance telephone and television
interconnections as reported in this 1948 issue of Radio-Craft magazine.
Now, media headlines tell of new 5G cellular network equipment and small cell stations
being installed around the world. New portable pocket radios using a single low
voltage "peanut" vacuum tube or a germanium transistor are today's iPhones, smartwatches,
and IoT-connected appliances. The item that caught my attention was mention
of General electric (GE) issuing warnings that radar-equipped cargo airplanes should
not be used to transport photo-flash camera bulbs because experiments showed exposure
to certain frequencies and power...
If I had the time, it would be interesting
to research how accurate this
Electronic Market prediction from the January issue of Electronics
magazine compares to how the decade actually ended. My guess based on most of the
history of the electronics industry is that except for very fantastic prognostications
of personal nuclear power sources and domestic robots in every household, the forecasts
greatly underestimated actual progress. That is because discoveries are made so
frequently and improvements made so quickly that after ten years there are innumerable
new aspects of electronics that were never even dreamed of a decade earlier. According
to one source, the consumer electronics market in 2020 was close to $700B, as compared
to $1.6B in 1959. Adjusting for inflation, that $1.6B is the equivalent of about
$14B in 2020, so the market growth for consumer electronics in that time period
was around 50x ($700B/$14B). That is a significant increase in just one sector of
the electronics industry...
As usual, "getting" the message in some
of these vintage
electronics-themed comics requires at least a passing familiarity with the state
of technology and public mindset of the day. However, in most cases appreciating
the humor and/or irony is possible without it. This group of six comics appeared
in a 1953 issue of Radio-Electronics magazine. The first comic is a good example
of needing some insider information. Back when commercial television was broadcast
over the air from giant towers, multipath of the signal, particularly in urban areas,
often created a situation where the difference in arrival time of the signal at
the TV viewer's location caused more than one version of the picture to be displayed,
slightly offset from each other...
After discussing the technical benefits of
single-sideband (SSB) amplitude modulated (AM) commercial transmission versus
double-sideband + carrier standard AM, author Jack Brown concludes with a chart
plotting the relative cost of each method versus output power. The result: Transmitters
with less than 100 watts output the initial equipment cost of a single-sideband
transmitter is greater than its standard AM counterpart. My guess is that with today's
equipment the chart would look a lot different, and there may be no dollar cost
benefit either way from a hardware perspective. The benefit of SSB of course is
in spectrum efficiency and, especially for very high powers, operational cost savings
on electricity bills. Even so, commercial AM broadcast radio stations in the U.S.
still transmit using...
"Mac's Radio Service Shop" episodes nearly
always reflected the season in which they appeared in Radio & Television
News magazine, and were also very often concerned with pressing issues of the
day. This November 1954 issue's story opens by setting the scene with a gray, windy
late autumn day, and then launches into a discussion between Barney and Mac about
the situation where discount merchandise outlets were pawning off service responsibility
for large volumes of sales on anybody but themselves. Being both a sales and service
concern himself, Mac was torn between welcoming the additional business provided
by the discount houses and the bad name they were giving reputable sales people.
Whenever a specific product or business is mentioned in the article, I put some
effort into finding examples on the WWW to provide extra context to the story. In
this case Mac mentions an article having appeared in a Life magazine "a
few months ago." Knowing the contemporaneous nature... |